Dongguan Gongfu Electronics Co., Ltd.
Tel:0769-82391938
0769-81100206
Fax:0769-82391939
Add:Floor 3, building B, Xingrui Industrial Park, Fushan, Liaobu, Dongguan
Mr Lv:15622511589
Mr Chen:18922960825
Miss Jiang:18922960826
Miss Lv:15622511110
E-mail:lvbin@fuse168.com
E-mail:sales@gfefuse.cn
E-mail:jsr@gfefuse.cn
E-mail:lv@fuse168.com
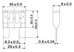
ProductsNow:Home > Products
Electrical characteristics
|
Testing current |
Blow Time Min/Max(s) |
||||||
|
20A |
30A |
40A |
50A |
60A |
70A |
80A |
|
|
135% |
1800/60 |
1800/60 |
1800/60 |
1800/60 |
1800/60 |
1800/60 |
1800/60 |
|
200% |
20/4 |
30/6 |
40/8 |
50/10 |
60/15 |
60/4 |
60/4 |
|
300% |
2/0.7 |
4/1 |
5/1.4 |
6/1.7 |
7/2 |
2/0.2 |
2/0.2 |
|
|
|||||||
reference
|
Type |
Current Rating |
VoltageRating |
Colour |
mΩ |
I2t(A2Sec) |
|
|
A20 |
20 |
32 |
Yellow |
3.1 |
1100 |
|
|
A30 |
30 |
32 |
Green |
2 |
4070 |
|
|
A40 |
40 |
32 |
Amber |
1.4 |
8450 |
|
|
A50 |
50 |
32 |
Red |
1.1 |
11300 |
|
|
A60 |
60 |
32 |
Blue |
0.89 |
15300 |
|
|
A70 |
70 |
32 |
Tan |
0.69 |
6900 |
|
|
A80 |
80 |
32 |
Purple |
0.59 |
8800 |
|